Abstrak
Dalam bidang kenderaan elektrik, prestasi sistem pengurusan bateri (BMS) dan hayat bateri yang berkesan adalah pertimbangan utama. Untuk meningkatkan hayat perkhidmatan pek bateri, adalah perlu untuk mengimbangi bateri secara berkala. Secara tradisinya, pengimbangan bateri bergantung terutamanya pada teknologi pengimbangan pasif, yang menukar tenaga berlebihan kepada tenaga haba untuk mencapai keseimbangan antara bateri. Walau bagaimanapun, kaedah ini bukan sahaja menyebabkan masalah pengurusan haba, tetapi juga mengurangkan kecekapan keseluruhan pek bateri.
Artikel ini mencadangkan strategi pengimbangan aktif yang inovatif yang menggunakan algoritma penapis Kalman untuk mengoptimumkan kecekapan BMS, dengan berkesan menangani kelemahan teknologi pengimbangan pasif. Matlamat teras adalah untuk membina sistem yang boleh mengurus pengecasan dan nyahcas bateri secara seragam, dengan itu memanjangkan jangka hayat bateri. Sistem ini telah mereka bentuk litar pengimbangan aktif yang menggunakan algoritma penapis Kalman untuk menganggarkan keadaan setiap bateri dengan tepat dan mengira arus pengecasan dan nyahcas optimum berdasarkannya, untuk mencapai pengimbangan yang cekap antara bateri.
Latar belakang penyelidikan, rancangan dan hasil
1. Latar belakang kajian dan motivasi
Latar belakang pembangunan kenderaan elektrik dan kepentingan sistem pengurusan bateri: Perhatian global terhadap pencemaran alam sekitar dan kenaikan harga bahan api yang disebabkan oleh pelepasan ekzos kereta menyerlahkan keperluan untuk menggunakan kenderaan elektrik. Inovasi Sistem Pengurusan Bateri (BMS) telah menjadikan kenderaan elektrik sebagai calon yang berkuasa untuk pengangkutan masa hadapan, tetapi BMS masih mempunyai banyak bidang untuk penambahbaikan untuk meningkatkan kecekapan dan kebolehpercayaan.
Elemen utama dan cabaran sistem pengurusan bateri
Kepentingan anggaran SOC dan SOH: Menganggar dengan tepat keadaan cas (SOC) dan keadaan kesihatan (SOH) bateri adalah penting untuk pengendalian BMS yang boleh dipercayai dan cekap. SOC mengukur kapasiti bateri yang tersedia berbanding keadaannya yang dicas penuh, manakala SOH menunjukkan tahap penuaan bateri, mencerminkan perbezaan kapasiti penyimpanan tenaga antara keadaan semasa dicas penuh dan keadaan pembuatan.
Keperluan Cabaran dan Pengimbangan dalam Reka Bentuk Pek Bateri: Mereka bentuk pek bateri yang selamat dan cekap tenaga adalah amat mencabar, kerana ia memerlukan ratusan volt voltan DC dan ratusan kilowatt kuasa, yang terdiri daripada sejumlah besar bateri secara bersiri dan selari. Walau bagaimanapun, disebabkan oleh kecacatan pembuatan dan penuaan, parameter bateri tidak sepadan, yang mengurangkan kapasiti berkesan pek bateri. Oleh itu, BMS dan litar pengimbangan luaran diperlukan untuk menggunakan sepenuhnya tenaga setiap bateri. Litar pengimbangan bateri dibahagikan kepada pengimbangan pasif dan aktif. Pengimbangan pasif menukar tenaga bateri kepada tenaga haba melalui perintang shunt untuk mengelakkan pengecasan berlebihan, manakala pengimbangan aktif menggunakan penukar DC/DC atau kaedah pemindahan kuasa lain untuk memindahkan tenaga secara langsung antara bateri. Melaksanakan litar pengimbangan aktif boleh meningkatkan keselamatan, ketahanan, prestasi pengecasan dan nyahcas serta kecekapan penggunaan tenaga pek bateri.
2. Cadangkan rancangan
Keseluruhan seni bina dan prinsip kerja: Seni bina skema yang dicadangkan (lihat Rajah 1) termasuk anggaran SOC (menggunakan algoritma penapis Kalman lanjutan), pengawal BMS dan litar penyamaan aktif. Pengawal mengesan SOC setiap bateri dan menghantar isyarat kepada litar pengimbangan aktif untuk memindahkan cas daripada bateri SOC tinggi kepada bateri SOC rendah, akhirnya mengimbangi cas setiap bateri dalam pek bateri.

Kaedah anggaran SOC
Proses Algoritma Penapis Kalman Lanjutan: Anggaran SOC menggunakan algoritma Penapis Kalman Lanjutan, yang merupakan proses berulang yang mempertimbangkan bunyi dan ralat dalam instrumen dan anggaran. Pertama, tentukan pelbagai atribut dan kebergantungan bateri itu, dan gunakan model parameter terkumpul untuk mereka bentuk model litar setara bagi bateri.

Dengan menganalisis litar menggunakan Hukum Voltan Kirchhoff (KVL), persamaan voltan terminal diperolehi:

Menggunakan undang-undang semasa Kirchhoff (KCL) untuk memperoleh persamaan cawangan RC, berdasarkan hubungan antara SOC bateri dan arus litar:

Wujudkan model ruang keadaan masa berterusan, kemudian tukarkannya kepada model ruang keadaan masa diskret (menggunakan formula pendiskretan bentuk tertutup untuk memproses matriks korelasi dan vektor), dan akhirnya gunakan algoritma penapis Kalman untuk anggaran SOC (termasuk persamaan keadaan dan persamaan ukuran, hingar ialah proses Gaussian min sifar bebas, pengiraan termasuk kemas kini masa dan langkah kemas kini pengukuran).
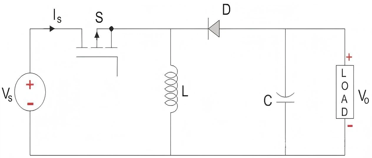
Prinsip penukar rangsangan wang: Penukar rangsangan wang ialah penukar DC-DC, dan voltan keluaran boleh lebih rendah atau lebih tinggi daripada voltan masukan. Apabila suis dihidupkan (MOSFET ditutup, diod dimatikan), induktor menyimpan tenaga; Apabila suis dimatikan (MOSFET dimatikan, diod dihidupkan), induktor melepaskan tenaga kepada beban, dan voltan keluaran meningkat. Mod kerjanya dibahagikan kepada dua situasi.

Mekanisme kerja litar pengimbangan aktif: Dalam litar pengimbangan aktif, pengawal merasakan ketidakseimbangan SOC antara bateri, menentukan arah pemindahan cas dan menghantar isyarat PWM untuk mengawal suis. Jika pengawal mengesan bahawa bateri atas N perlu memindahkan tenaga ke bateri bawah N-1, ia menghantar isyarat kepada suis S2N. Selepas induktor menyimpan tenaga kepada nilai maksimum, suis ditutup, voltan induktor diterbalikkan dan diod D_N-1 dipincang ke hadapan. Tenaga dipindahkan ke bateri N-1 melalui diod, dan sebaliknya.



3. Hasil simulasi
Pengesahan algoritma anggaran SOC: Dalam Matlab, SOC yang dianggarkan oleh algoritma penapis Kalman lanjutan adalah konsisten dengan SOC sebenar dari semasa ke semasa, menunjukkan bahawa algoritma telah berjaya digunakan untuk menganggarkan SOC bateri.

Penilaian Keberkesanan Litar Pengimbangan Aktif: Menggunakan model simulasi Matlab bagi litar pengimbangan aktif dengan penukar rangsangan buck, SOC awal bateri atas dan bawah ditetapkan kepada 23% dan 20%, masing-masing. Selepas simulasi, SOC seimbang akhir bagi bateri atas dan bawah masing-masing ialah 21.39% dan 21.4%, yang hampir dengan SOC purata awal dan berjaya mencapai pengimbangan cas. Dengan menukar parameter seperti nilai induktansi, kitaran, dan kitaran tugas, didapati terdapat pertukaran antara masa mengimbang dan SOC mengimbangi akhir. Sebagai contoh, apabila nilai induktansi berkurangan, kitaran meningkat, atau kitaran tugas berubah, masa baki dan SOC akhir akan berubah dengan sewajarnya. Khususnya, lebih kecil nilai induktansi, lebih besar kitaran, dan kitaran tugas berubah dalam julat tertentu, lebih pendek masa baki, tetapi SOC akhir juga akan terjejas sedikit sebanyak.

| L(aruhan) dalam H | Masa yang diambil untuk mengimbangi dalam sec | SOC akhir (%) |
| 1 | 423 | 21.45 |
| 0.5 | 228 | 21.4 |
| 0.1 | 80 | 21.02 |
| 0.01 | 39 | 20.16 |
| 0.001 | 34 | 21.5 |
| Tempoh | Masa yang diambil untuk mengimbangi dalam sec | SOC akhir (%) |
| 1 | 329 | 21.44 |
| 1.5 | 228 | 21.4 |
| 2 | 187 | 21.36 |
| 2.5 | 143 | 21.34 |
| Kitaran tugas (%) | Masa yang diambil untuk mengimbangi dalam sec | SOC akhir(%) |
| 30 | 594 | 21.45 |
| 40 | 340 | 21.43 |
| 50 | 228 | 21.4 |
| 60 | 72 | 21.2 |
| 70 | 51 | 20.93 |
Ringkasan
Penyelidikan tentang Teknologi Pengimbangan Aktif: Artikel ini memfokuskan pada teknologi pengimbangan aktif bagi baki aras cas bateri tunggal dalam pek bateri. Semasa penyiapan projek, litar pengimbangan aktif telah direka bentuk dan simulasi litar telah dijalankan untuk mendapatkan hasil yang diharapkan.
Pemilihan kaedah anggaran SOC: Kaedah anggaran SOC bateri tunggal berbilang telah dikaji, dan kaedah penapis Kalman lanjutan akhirnya diterima pakai kerana ketepatannya dalam menganggar parameter tak linear.
Pengesahan penyelidikan: Secara keseluruhan, projek ini telah berjaya menunjukkan keberkesanan pengimbangan aktif dalam meningkatkan prestasi bateri dan mengurangkan risiko keselamatan. Melalui simulasi, litar pengimbangan aktif boleh mencapai keadaan keseimbangan yang hampir dengan SOC purata untuk bateri dengan SOC permulaan yang berbeza, menunjukkan bahawa ia boleh meningkatkan prestasi bateri dengan berkesan dan mengurangkan bahaya keselamatan yang mungkin disebabkan oleh ketidakseimbangan bateri.
Kepentingan mempertimbangkan keperluan khusus: Kajian ini juga menekankan keperluan untuk mempertimbangkan dengan teliti keperluan khusus sistem dan aplikasi bateri apabila menentukan sistem pengimbangan aktif yang paling sesuai. Sistem bateri yang berbeza (seperti pek bateri yang terdiri daripada jenis bateri yang berbeza dan keperluan penggunaan bateri dalam senario aplikasi yang berbeza) mungkin mempunyai keperluan yang berbeza untuk sistem pengimbangan aktif, seperti penekanan yang berbeza pada kelajuan pengimbangan, ketepatan pengimbangan, kehilangan tenaga, dll. Oleh itu, skim pengimbangan aktif yang paling sesuai perlu dipilih mengikut situasi sebenar untuk mencapai prestasi dan keselamatan yang optimum.





